Thông tin sản phẩm bộ vòi sen tắm nóng lạnh INAX BFV-1003S-1C
- Danh mục: Củ sen tắm
- Tay sen 3 chế độ (tay sen BF-SC1)
- Van điều khiển gật gù
- Kết cấu bên trong vững vàng
- Áp lực nước: 0.05 MPa ~ 0.75 MPa
- Chứng nhận chất lượng: Tiêu chuẩn quốc tế về quản lý chất lượng ISO-9001 & Tiêu chuẩn quốc tế về quản lý môi trường ISO-14001
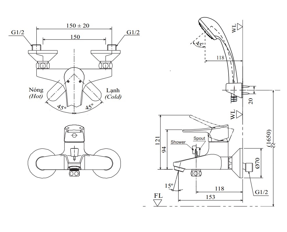
Bản vẽ kỹ thuật vòi hoa sen INAX nóng lạnh BFV-1003S-1C





Đánh giá
Chưa có đánh giá nào.