Thông tin sản phẩm bồn cầu TOTO 2 khối CS735DT3
Thông tin của bồn cầu 2 khối TOTO CS735DT3#XW:
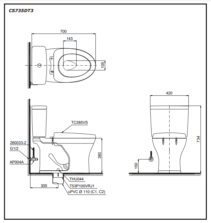
- Kích thước: 700D x 420W x 734H mm
- Màu sắc: Trắng
- Chất liệu: Sứ vệ sinh
- Hệ thống xả: Tornado
- Lượng nước xả: 4.8/3L
- Thiết kế: Thân dài, bán kín
- Tâm xả: 305 mm
- Loại xả: Nhấn đôi
- Mặt nước đọng: 143 x 105 (mm)
- Đường kính đường thải: ∅60 (mm)
- Áp lực nước: 0.05 ~ 0.70 MPa
- Lưu ý: Bao gồm bích nối sàn, van dừng
- Màu sắc: Trắng
- Thiết kế cho bàn cầu thân dài
- Chất liệu: Nhựa
- Kích thước: 495D x 368W x 62H mm
Đặc điểm nổi bật bồn cầu TOTO 2 khối CS735DT3
Bàn cầu mã CS735 với các ưu điểm:
- Men sứ chống bám bẩn CEFIONTECT được tráng phủ lên toàn bộ bề mặt bồn cầu, ngăn chặn các chất thải, vi khuẩn và nấm mốc bám vào bề mặt bồn cầu. Nhờ đặc tính ưa nước của lớp men, các chất thải được rửa trôi nhanh chóng.
- Hệ thống xả xoáy Tornado không chỉ làm sạch các cặn bẩn hiệu quả hơn mà còn giảm tiếng ồn khi xả bằng cách giảm lượng nước. Hệ thống này sẽ xả nước từ phía trước và sử dụng áp lực nước liên tục xoáy đều bên trong bồn cầu làm sạch tất cả những khu vực dễ tích tụ chất bẩn nhất, bên cạnh đó còn giúp tiết kiệm nước với chế độ xả 4.8/3L
- Thiết kế vành kín độc đáo không có chỗ cho vi khuẩn hoặc chất thải bám vào, giúp việc lau chùi trở nên dễ dàng hơn.
Kèm nắp êm T3 TOTO TC385VS#W với tính năng nổi bật:
- Nắp rửa đóng mở êm ái, không gây tiếng ồn
- Thiết kế nắp dày, đậy kín tinh tế
- Chất liệu Nhựa cao cấp, chịu lực tốt, chống bám bẩn và ố vàng
Bản vẽ kỹ thuật bồn cầu TOTO 2 khối CS735DT3





Đánh giá
Chưa có đánh giá nào.